Sivun pääsisältöön
  • Välkommen till Yourex - Din Grossist på bilelektriska reservdelar.

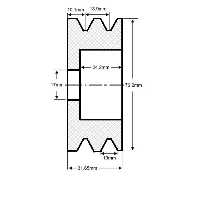
Tuotenro.: RC-43562

Hihnapyörä 2V, 17x76 9.5 mm rem

Tekniset tiedot:

2 uras

Kuvaus

Hihnapyörä 17x78, 9.5 rem CHR DP 2 uras 17 x 76 x 32 mm Sopii Chrysler sukupolvi 40/90 ja 50/120 sarja (90-120A/12V) Tupla