Sivun pääsisältöön
  • Välkommen till Yourex - Din Grossist på bilelektriska reservdelar.

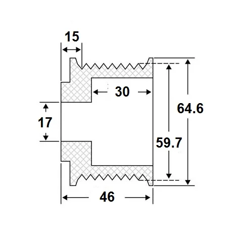
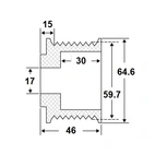
Tuotenro.: 45-011-0098

Hihnapyörä 8-railinen, Case

Tekniset tiedot:

8 uras

Kuvaus

Hihnapyörä 8 kierteellä, Case 8 kierteellä