Sivun pääsisältöön
  • Välkommen till Yourex - Din Grossist på bilelektriska reservdelar.

Tuotenro.: 12-802-2426

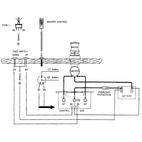
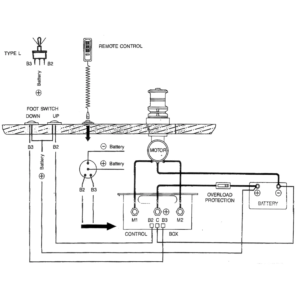
Kaksoiskäynnistysrele 24V, DC-moottori K.laatikko

Tekniset tiedot:

24V-50A, DC Moottorin ohjauslaatikko

Kuvaus

Kaksinkertainen rele 24V, DC-moottori K.sarja 24V-50A, DC-moottorin ohjauslaite 120x60x100 Sopii DC-moottoreille, ankkurilaitteet marineihin ym.