Sivun pääsisältöön
  • Välkommen till Yourex - Din Grossist på bilelektriska reservdelar.

Tuotenro.: 12-802-2424

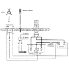
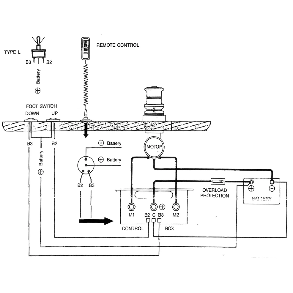
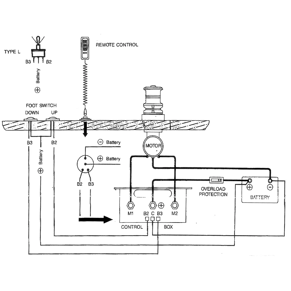
Kaksoiskytkinrele 12V, DC-moottori K.box

Tekniset tiedot:

12V-100A, DC Moottorin ohjauskotelo

Kuvaus

Kaksinkertainen rele 12V, DC-moottori K.box 12V-100A, DC-moottorin ohjausrasia 120x60x100 Sopii DC-motoareihin, Ankkurihinaus Marin ym.