Sivun pääsisältöön
  • Välkommen till Yourex - Din Grossist på bilelektriska reservdelar.

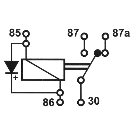
Tuotenro.: 85-2223

Minirele 24V-10/20A, 5s, diodi

Tekniset tiedot:

5-lehtinen minirele anti diodisilla

Kuvaus

Minirelä 24V-10/20A, 5s, diod 5-nasto minirelä diodilla 24V, vaihtaa 10/20A Minireläsockel 85-2353 & 85-2350 sopii. 30/40A katso 85-2227
  • OEM

    4RD003520667, 0332 204 204, 0332 204 213, 0332 204 214, 0332 209 204, 0332 209 205
  • Bilmärken

    Daf, Iveco, Mercedes Benz, Scania
  • NormaliseratArtNr

    4rd003520667, 852223, 0332204204, 0332204213, 0332204214, 0332209204, 0332209205