Sivun pääsisältöön
  • Välkommen till Yourex - Din Grossist på bilelektriska reservdelar.

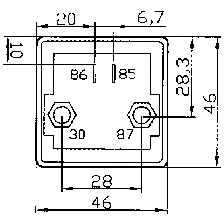
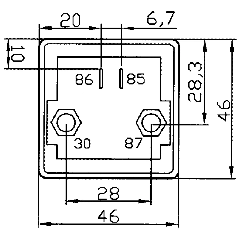
Tuotenro.: 85-2256

Minirele extra HD 24V-100A

Tekniset tiedot:

24V-100A, 4-term. relä käyräkiinnikkeellä

Kuvaus

Minirele extra HD 24V-100A 24V-100A, 4 term. relé käyrätelineellä 46x46x58mm, Pultti M6 Jatkuu, maksimivirtajohtokapasiteetti 100 Ampeeria, N/O